RX – Lasikaideprofiili. Päältä kiinnitettävä 6m ( Sisältää tiivisteet ja kiilat)

Tuotetunnus (SKU): ETP.001.01.AL.A 6m/tiivisteet ja kiilat Osasto:

RX – Lasikaideprofiili = 6 metriä
Sisältää tiivisteet ja kiilat.
Valitse lasipaksuus = 12, 12,76, 16,76, 17,52, 20,76 tai 21,52 mm.
1,0 kn/m

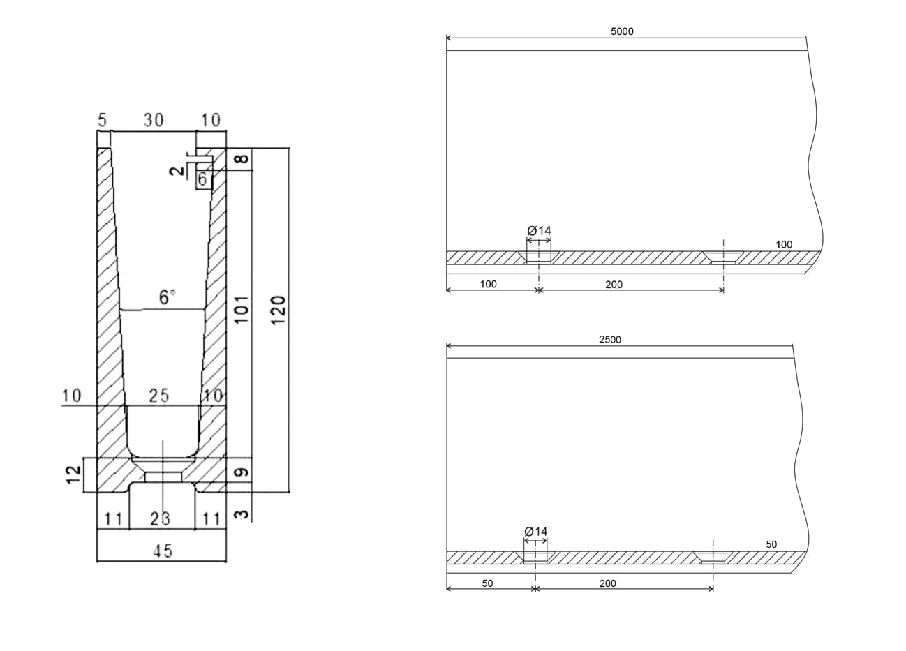
Lasikaideprofiili
Profiili, jonka poikkileikkaus on 120×45 mm
Pinta – anodisoitu
Materiaali – alumiini
Mahdollisuus asentaa lasia, jonka paksuus on 12 mm – 21,52 mm
Hinta on 6 metrille
Asennusreikien lukumäärä:
6 metrin profiili – 26 reikää
Saatavilla lasin päälle myös erilaisia käsijohteita.

HUOM 6 metrin profiileille rahti erillisen tarjouksen mukaisesti